当前位置:首 页 --> 技术分享
CSC9422内置运算放大器/四个音频输入信号选择/MCU控制音量加减的电子音量控制电路IC电路特点及应用原理图介绍
发布时间:2010/11/30 16:26:00 来源:
概述与特点
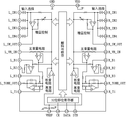
CSC9422F 是一个使用CMOS 技术,且专为便携音响设备设计而成的音量控制电路。IC 内建运算放大器,只需要几个外围元件,就可以提供广泛的音频功能,包括主音量平衡,音量衰减,低音,高音,响度和输入转换。
该电路的特点如下:
1. 具有宽广的工作电压范围:6.0~12.0V
2. 音质控制:低音,高音:18dB~-12dB(16 种选择)
3. 输入选择:四个输入信号的任意一个都有四个增益选择:0dB,6dB,12dB,18dB
4. 主音量:左右声道分别控制,范围:0~-78dB 与-∞,1dB~
2dB/步
5. 合并运算放大器,减少外围元件
6. 合并5V 单片机系统的接口
7. 低功耗
8. 需要少数外围器件
9. SDIP28 或SOP28 封装
引出端功能
方框图
详细的产品资料及销售信息请查阅:http://www.szczkjgs.com/products_3534.htm
|
||||||
|
||||||



