当前位置:首 页 --> 技术分享
手机音频pop声/开关噪声(Yamaha音频功放YDA145设计心得)
发布时间:2010/3/23 12:50:00 来源:
使用Yamaha音频功放YDA145播放音乐时出现pop开关噪声。解决过程曲折,几番接近结果,由于误导没有继续自己的想法。
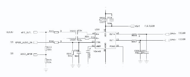
以下是YDA145原理图,和调试步骤:
1.去掉CTRL 网络100nF电容(C528);
2.换C521(VREF)电容为4.7uF/2.2uF;
3.换C522/C525(输入耦合)电容为33nF;
4.换Vbat端Card23 4.7uF为坦电容;
5.换输出磁珠B506/B507为10uF电容音量变小pop声变小;
6.加C526/C527=100pF;
7.尝试在播放音乐时将IC_B2脚(Vref)短接到GND,以此关闭输出,无pop声出现;
8.去掉R514=100K R516=10K;
9.增加R514=10K R516=10K;
10.情景模式选项菜单中,切换铃声时没有出现pop声;
滑盖声消失时出现pop Noise
播放mp3切换音乐时 出现pop Noise
以上措施均在功放周边硬件电路做处理,在音频输入端测得模拟波形大致如下
可以看出音源在消失后CPU直流偏置还继续存在,并且发生了一次跳变,此次POP声的根源就是此次直流偏置的跳变。
与软件沟通后将功放关闭的时间提前如下图
提前之后解决pop噪声.
我司现在力推HT6845,完全兼容YDA145,详细的产品资料请查阅:http://www.szczkjgs.com/products_3555.htm
|
||||||
|
||||||



